ESTEC Coporation

P.A & Musical Speakers
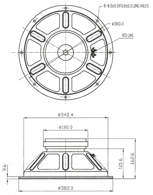
C380L502

FREQUENCY RESPONSE CURVE (Value Converted at lm)

Drawing