| SKQU |
 |
| Products
Line |
| Without LED type |
| Model |
Operation
force |
Travel |
Ratings
(max.) |
Lifetime
(5mA 5V DC) |
Initial
contact resistance |
Variety |
| 4-directional |
Center
push |
4-directional |
Center
push |
| SKQUAA |
1.568N
{160gf} |
- |
0.35mm |
- |
50mA
12V DC |

for each direction |
500m§Ù
max. |
Snap
in type |
| SKQUBA |
Surface
mount type |
|
|
With center push type
|
| Model |
Operation
force |
Travel |
Ratings
(max.) |
Lifetime
(5mA 5V DC) |
Initial
contact resistance |
Variety |
| 4-directional |
Center
push |
4-directional |
Center
push |
| SKQUCA |
1.568N
{160gf} |
3.136N
{320gf} |
0.4mm |
0.2mm |
50mA
12V DC |
for each direction |
500m§Ù
max. |
Snap
in type |
| SKQUDB |
Surface
mount type |
|
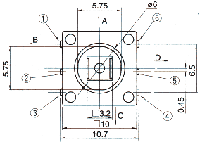
| Dimensions
(4-directional
type)
Unit : mm |
snap-in
type
 |
 |
 |
Circuit diagram

Printed circuit board mounting hole dimensions
(When viewed from the switch mounting face) |

It is suggested to use a P.C.Board of 1.6mm thick. |
Surface
Mount Type
 |
 |
 |
Circuit diagram

Printed circuit board mounting hole dimensions
(When viewed from the switch mounting face) |

It is suggested to use a P.C.Board of 1.6mm thick. |
| Dimensions
(With Center Push type)
Unit : mm |
snap-in
type
 |
 |
 |
Circuit diagram

Printed circuit board mounting hole dimensions
(When viewed from the switch mounting face) |

It is suggested to use a P.C.Board of 1.6mm thick.
|
Surface
Mount Type
 |
 |
 |
Circuit diagram

Printed circuit board mounting hole dimensions
(When viewed from the switch mounting face) |

It is suggested to use a P.C.Board of 1.6mm thick. |