| SKQB |
 |
| Products
Line |
| Vertical type |
| Model |
Operation
force |
Travel |
Ratings
(max.) |
Lifetime
(5mA 5V DC) |
Initial
contact resistance |
Stem
color |
Variety |
| SKQBAA |
1.568N
{160gf} |
0.3mm |
50mA
12V DC |
 |
500m§Ù
max. |
Dark
gray |
Stem
height
h=5mm |
| SKQBAB |
2.548N
{260gf} |
Red |
| SKQBAC |
1.568N
{160gf} |
Dark
gray |
Stem
height
h=13mm |
| SKQBAD |
2.548N
{260gf} |
Red |
| SKQBAH |
1.568N
{160gf} |
Dark
gray |
Stem
height
h=23.2mm |
| SKQBAE |
2.548N
{260gf} |
Red |
|
| Horizontal type |
| Model |
Operation
force |
Travel |
Ratings
(max.) |
Lifetime
(5mA 5V DC) |
Initial
contact resistance |
Stem
color |
| SKQBLA |
1.568N
{160gf} |
0.3mm |
50mA
12V DC |
¡¡ |
500m§Ù
max. |
Dark
gray |
|
|
Water resistance function
|
| Items
Model |
SKABAA/AB/AC/AD/AE/AH |
SKQBLA |
| Water
resistance |
Temperature |
60¡É |
60¡É |
| Water depth |
10cm |
10cm |
| Time |
240h |
1h |
| Humidity |
Temperature |
60¡É |
60¡É |
| Humidity |
90~95% |
90~95% |
| Time |
1000h |
1000h |
|
| Dimensions |
| Vertical type SKQBAA/AB
Unit : mm |
 |
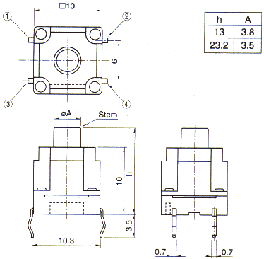
| Vertical type SKQBAC/AD/AE/AH
Unit : mm |
 |
| Horizontal type SKQBLA
Unit : mm |
 |
| Common
Specifications |
| Vertical
type Unit
: mm |
Circuit diagram

Printed circuit board mounting hole dimensions
(When viewed from the switch mounting face) |

It is suggested to use a P.C.Board of 1.6mm thick. |
| Horizontal type |
Circuit diagram

Printed circuit board mounting hole dimensions
(When viewed from the switch mounting face) |

It is suggested to use a P.C.Board of 1.6mm thick. |